2019年专升本《机械电子工程》专业考试复习大纲

一、机械制图的基础知识《机械制图》主要知识点
知识点:制图基本知识、投影法、三视图、立体表面的交线等。
1. 国家标准有关图幅、比例、字体、图线、尺寸注法等;
2. 常用的基本投影方法;
3. 基本体的三视图及立体表面取点;
4. 立体表面的交线。
二、阅读、分析与绘制简单图
知识点:阅读、分析与绘制组合体、轴测图、典型机件、标准件与常用件等。
1.组合体的读图和绘图方法以及组合体的尺寸标注方法;
2.轴测图的读图及绘制简单组合体的正等轴测图的方法;
3.绘制典型机件的视图、剖视图、断面图等的方法,以及国家标准规定的简化画法;
4.内、外螺纹的规定画法,内外螺纹连接的规定画法,螺栓、螺钉、螺柱的连接图;键的连接图的绘制,齿轮的绘制。
三、阅读、分析与绘制机械工程图
知识点:正确识读机械工程图、正确绘制机械工程图,以及根据装配图拆画零件图。
1.零件图的作用、内容;
2.零件图的合理视图、设计基准、工艺基准、表面结构要求、极限与配合、几何公差要求;
3.零件图的各项技术要求的含义和注写;
4.中等复杂程度的零件图识读;
5.装配图的作用、内容;
6.装配图的常用表达方法、尺寸注法、配合注法、技术要求;
7.零部件序号编写、明细栏填写;
8.装配图拆画零件图的方法;
9.简单装配图的识读。
《机械设计基础》主要知识点
第一部分 常用机构
一、平面机构运动分析
知识点:运动副的类型;平面机构的运动简图;机构的自由度计算;机构具有确定运动的条件。
1.基本概念
机构:机构由构件和运动副组成。
运动副:两个构件直接接触而又能产生一定相对运动的联接称为运动副。
低副:两构件通过面接触组成的运动副称为低副。
高副:两构件通过点或线接触组成的运动副称为高副。
自由度:构件具有独立运动(或独立运动参数)的个数称为自由度。
约束:对构件独立运动所加的限制称为约束。
2.平面机构自由度计算
作平面运动的自由构件具有三个自由度,每个低副引入两个约束,即使构件失去两个自由度;每个高副引入一个约束,使构件失去一个自由度。
计算平面机构自由度的公式: F=3n-2PL-PH
3.机构要具有确定的运动,则机构自由度数必须与机构的原动件数目相等。即,机构具有确定运动的条件是F>0,且F等于原动件个数。
二、平面连杆机构
知识点:铰链四杆机构的基本类型和应用;铰链四杆机构的基本特性及分析计算;铰链四杆机构的演化和应用。
1.基本概念
平面连杆机构:是由若干构件用低副(转动副和移动副)连接而成的,所以又称为低副机构。
曲柄:能绕固定铰链作整周转动的连架杆称为曲柄。
摇杆:只能在小于360度的某一角度内摆动的连架杆称为摇杆。
铰链四杆机构有以下三种基本形式:曲柄摇杆机构,双曲柄机构,双摇杆机构。
举例说明铰链四杆机构基本形式的应用:(教材工程实例)
2.铰链四杆机构存在曲柄的必要条件:
1)最短杆与最长杆长度之和小于或等于其余两杆长度之和。
2)连架杆与机架中必有一个是最短杆。
推论:
1)如果最短杆与最长杆长度之和大于其余两杆长度之和,则无论取哪个杆为机架,均无曲柄存在,该铰链四杆机构为双摇杆机构。
2)如果最短杆与最长杆长度之和小于或等于其余两杆长度之和,根据相对运动原理,取不同杆为机架时,便会得到不同类型的铰链四杆机构,即:
(a)如果以最短杆的任一相邻杆为机架,存在一个曲柄,该机构为曲柄摇杆机构。
(b)如果以最短杆为机架,存在两个曲柄,该机构为双曲柄机构。
(c)如果以最短杆的对面杆为机架,无曲柄存在,该机构为双摇杆机构。
3.急回特性:为缩短非生产时间,提高生产率,常取平均速度校高的为空回行程,平均速度较低的为生产行程。
极位夹角和摆角:摇杆处于两极限位置时,对应的曲柄两位置之间所夹的锐角θ称为极位夹角。摇杆在两极限位置间的夹角称为摇杆的摆角,用Ψ表示。
机构的急回特性可用行程速比系数K表示,即 K=(180°+θ)/(180°-θ)
上式表明:机构的急回特性取决于极位夹角θ。θ角愈大,K值也愈大,机构的急回运动性质愈显著。
3.压力角:从动摇杆上一点受力方向与该力作用点的绝对速度vc方向之间所夹的锐角α称为压力角。
传动角:在实际应用中,为了度量方便,通常以压力角的余角γ来判断连杆机构的传力性能,γ称为传动角。
压力角越小,传动角越大对传动越有利。
4.死点位置:当原动件对从动件的作用点不产生力矩,因此不能使之转动时,机构的这个位置称为死点位置。
死点位置会使机构的从动件出现卡死或运动不确定现象。为了消除死点位置的不良影响,可以对从动曲柄施加外力,或利用飞轮及构件自身的惯性作用,使机构顺利通过死点位置。
死点有利有弊。
第二部分 连接
一、螺纹连接
知识点:常用螺纹特点和主要参数;螺纹连接的基本类型及螺纹紧固件;螺纹连接的预紧和防松。
1,连接可分为两类:动连接和静连接。通常所谓的连接主要是指静连接。静连接按其是否可拆:分为可拆连接和不可拆连接。
2.三角形螺纹主要用于连接,矩形,梯形,锯齿形螺纹主要用于传动,管螺纹广泛用于水,煤气,油和电线管路系统中。
3.螺纹的分类和特点。机械中一般采用右旋螺纹。
4.螺纹的基本参数:大径、小径、中经、螺距、导程、升角、牙型角。
5.螺纹连接的基本类型:(1)螺栓连接(①普通螺栓连接,②铰制孔用螺栓连接)(2)双头螺柱连接。(3)螺钉连接。(4)紧定螺钉连接。
6.螺纹连接的防松:防松就是防止螺纹副产生相对运动。常用防松方法:摩擦防松,机械防松,破坏螺纹副的运动关系。
二、键销连接
知识点:键、销连接的类型和特点;平键连接的合理选择。
1.主要用于轴和轮毂的周向连接。
2.平键、半圆键、楔键、切向键工作原理及主要特点。
3.平键的选用①尺寸选用:截面尺寸和键长②配合选用:基轴制
4.销连接的应用:定位、连接、过载保护。
5.圆柱销、圆锥销的工作原理及主要特点。
第三部分 机械传动
一、齿轮传动
知识点:齿轮的机构特点和种类;齿廓啮合基本定律,渐开线的形成、特点;渐开线齿轮的啮合特性;渐开线直齿轮的几何尺寸计算;正确啮合、正确安装、连续传动条件;斜齿轮几何尺寸计算、正确啮合条件。
1.齿轮的机构特点和种类。
2.啮合基本定律:在啮合传动的任一瞬时,两轮齿廓曲线在相应接触点的公法线必须通过按给定传动比确定的该瞬时的节点,这一条件称为齿廓啮合基本定律。
齿轮机构传动时,为了保持平稳传动,其基本要求是瞬时角速比(即传动比)必须保持不变。
由于两节圆的圆周速度相等,所以一对齿轮传动时,它的一对节圆作纯滚动。即一对外啮合齿轮的中心距恒等于节圆半径之和。
3.渐开线具有如下性质:
(1)发生线沿基圆滚过的长度等于基圆上被滚过的圆弧长度。
(2)因为发生线恒切于基圆,所以渐开线上的任意点的法线必与基圆相切。
(3)渐开线的形状取决于基圆的大小。
(4)渐开线齿廓上任意点的法线(正压力方向)与该点的速度方向线之间所夹的锐角,称为齿轮齿廓在该点的压力角。
(5)基圆内无渐开线。
4.渐开线齿廓啮合特性:
(1)能够保证定传动比传动。
(2)中心距可分性。
(3)齿廓上压力方向不变。
渐开线齿轮的传动比i等于两轮基圆半径的反比。
可分性:两轮中心距稍有改变,其角速比仍保持原值不变的性质。
渐开线齿轮传动中啮合角为常数,啮合角不变表示齿廓间压力方向不变。
5.渐开线标准直齿圆柱齿轮几何尺寸的计算公式。
6.正确啮合条件
渐开线直齿圆柱齿轮的正确啮合条件是两轮的模数和压力角分别相等且等于标准值。
两平行轴斜齿轮正确啮合必须满足:两轮的法面模数和压力角分别相等,且分度圆柱上的螺旋角大小相等、旋向相反(外啮合)或相同(内啮合)的三个条件。
7.标准中心距:一对标准齿轮分度圆相切时的中心距。
在机械设计中,正确安装的条件是按照齿侧无间隙设计其中心距尺寸。
标准齿轮只有在正确安装时,节圆和分度圆重合,啮合角和压力角相等。
8.连续传动的条件
齿轮连续传动的条件是重合度ε≧1。重合度越大,表示同时啮合的齿的对数越多,每对齿分担的载荷就小,传动也越平稳。
9.两平行轴斜齿轮法面模数与端面模数的关系。
二、齿轮系
知识点:轮系的分类;求解定轴轮系
1.基本概念
定轴轮系:轮系运转时,每个齿轮的轴线位置都是固定不动的,这种轮系称为定轴轮系。
周转轮系:至少有一个齿轮的几何轴线绕着其他齿轮的固定轴线转动的轮系。
惰轮:使外啮合次数改变从而改变传动比的符号,却不影响传动比的大小的齿轮。
2.定轴轮系传动比计算
i1k=n1/nk=所有从动轮齿数的乘积/所有主动轮齿数的乘积
3.各轮转向的判定及转速计算
三、带传动
知识点:带传动的类型、特点和应用;V带传动的基本参数和几何尺寸;带传动受力分析和应力分析、弹性滑动和传动比;带传动的张紧、安装与维护。
1.带传动一般由主动带轮、从动带轮和传动带组成。
2.带传动的类型、特点和应用
3.V带传动的基本参数和几何尺寸
V带的楔角:V带两个侧面的夹角
普通V带按截面大小分为Y,Z,A,B,C,D,E七种型号。Y型截面最小,E型最大。
基准直径dd:V带轮的公称直径。即基准宽度处带轮的直径。
基准长度Ld:V带的公称长度。即V带位于带轮基准直径上的周线长度。
带轮的轮槽角φ:带轮轮槽两个侧面的夹角。
包角α:传动带与带轮的接触弧所对应的圆周角。
4.工作能力分析
初拉力、紧边拉力和松边拉力的关系。
有效拉力F:两边的拉力差为带与带轮之间摩擦力的总和称为带传动的有效拉力。
带传动所传递的功率:P=FV 增大初拉力,包角α,摩擦系数f都可以提高有效拉力的值,即提高带传动传递的功率。
带传动的应力分析:带传动工作时,带中的应力有拉应力、弯曲应力和离心拉应力三种;带传动中应力最大值产生在紧边进入小带轮处。
带传动中,带轮直径越大,带的弯曲应力就越小;带速越高,带的离心力越大,不利于传动。
带传动的主要失效形式:打滑和疲劳破坏。因此,带传动的设计准则为:在保证带不打滑的条件下,使带具有一定的疲劳强度和寿命。
5.弹性滑动:是由于带具有弹性且紧边与松边存在拉力差而产生的,是不可避免的现象。带传动正常工作时不能保证准确的传动比是因为带的弹性滑动。
打滑:是由过载(即外载荷大于最大有效拉力)引起的,将使传动失效,打滑是可以避免的。打滑总是先发生在小带轮上。
6.V带传动的张紧方式分为改变中心距的方法和采用张紧轮的张紧装置。张紧轮分内张紧和外张紧方式。
第四部分 轴系
一、轴
知识点:轴的功用和类型;轴的结构设计与分析错误结构。
1.轴的主要功用是支承零件及传递运动和动力;
2.按照承受载荷的不同,轴可分为转轴、心轴和传动轴三类;
工作时承受弯矩并传递扭矩的轴称为转轴,一般减速器的中间轴是转轴;
工作时只受弯矩,不传递扭矩的轴称为心轴,自行车的前轮轴应用的是固定心轴、铁路车辆的车轮轴是转动心轴;
工作时以传递扭矩为主,不承受弯矩或弯矩很小的轴称为传动轴,由发动机、变速器通过万向联轴器带动后桥差速器的轴是传动轴。
3.轴的结构应满足:轴和装在轴上的零件要有准确的工作位置;轴上的零件应便于装拆和调整;轴应具有良好的制造工艺性等。
轴上零件的轴向定位是以轴肩、套筒、轴端挡圈、轴承端盖和圆螺母等来保证的;
轴上零件的周向定位是由键、花键、销、紧定螺钉以及过盈配合等实现的;
当采用轴肩作轴向定位时,为了使零件能靠紧定位面,轴肩根部的圆角半径应小于零件的倒角;
当采用套筒、螺母或轴端挡圈作轴的轴向定位时,为了使零件能靠紧定位面,安装零件的轴段长度应小于零件轮毂的宽度;
轴肩高度应小于滚动轴承内圈厚度,以便拆卸轴承;
在轴肩处采用圆角或凹切圆角过渡是为了减小应力集中;
一根轴上不同轴段的键槽尺寸应尽量统一,并布置在同一母线方向上。
二、轴承
知识点:轴承的功用和类型;滚动轴承的代号、含义和选用。
1.轴承的作用是支承轴及轴上零件,保持轴的旋转精度,减少转轴和支承之间的摩擦和磨损;
2.滚动轴承的结构:内圈、外圈、滚动体、保持架。
3.滚动轴承的公称接触角:滚动轴承中套圈与滚动体接触处的法线和垂直于轴承轴心线的平面间的夹角。
4.滚动轴承的材料;
5.滚动轴承的类型、特性与应用;
6.滚动轴承代号含义、装拆方法
《机械制造基础》主要知识点
一、切削基本概念
知识点:机床切削运动、分析典型机床加工工艺的切削运动、切削用量、切削层
1.金属切削加工:是用刀具从金属材料(毛坯)上切去多余的金属层,从而获得几何形状、尺寸精度和表面粗糙度都符合要求的零件的过程。
2.金属切削机床的运动分为切削运动和辅助运动。
(1)切削运动:切削时工件与刀具的相对运动,可分为主运动和进给运动。
1)主运动是刀具与工件之间的主要相对运动。一般,主运动速度最高,消耗功率最大,机床通常只有一个主运动。
2)进给运动是配合主运动实现依次连续不断地切除多余金属层的刀具与工件之间的附加相对运动。进给运动与主运动配合即可完成所需的表面几何形状的加工,根据工件表面形状成形的需要,进给运动可以是多个,也可以是一个;可以是连续的,也可以是间歇的。
(2)辅助运动:是除主运动和进给运动之外,为完成工件的加工全过程所需的其它运动。它包括以下几类:空行程运动、切入运动、分度运动、操纵及控制运动等。
3.工件表面
(1)待加工表面——是工件上有待切除的表面。
(2)已加工表面——是工件上经刀具切削后产生的新表面。
(3)过渡表面(加工表面)——过渡表面是工件上由切削刃形成的那部分表面。
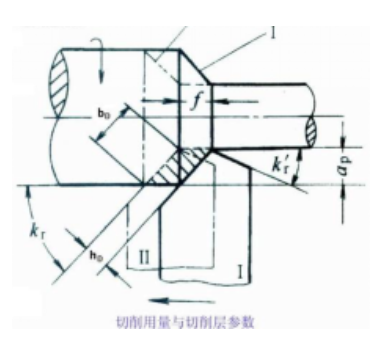
4.切削用量三要素:切削速度Vc、进给量f(进给速度Vf)、切削深度ap(背吃刀量)
5.切削层尺寸三要素:切削宽度bD、切削厚度hD、切削面积Ac

二、切削原理
知识点:切削变形、切削力、切削热与切削温度以及刀具的磨损、刀具寿命、卷屑与断屑等。
1.切削过程实质是一个金属材料受挤压作用产生变形的过程 。
2.切削塑性金属通常经历弹性变形、塑性变形、挤裂、切离四个阶段。
3.金属切削过程四大规律:金属切削变形、切屑的种类、切削力与切削热、刀具磨损与耐用度四大规律。
(1)根据实验时的切削层变形图片可绘制如图所示的切削变形模型,其变形大致可分为三个变形区。
(2)切屑的种类及控制
(3)切削力来源及分解
(4)切削热来源及传散
(5)刀具的磨损及耐用度
(6)切削液
(7)积屑瘤:切削钢、铝合金等塑型金属时,在切削速度不高且形成带状切屑的情况下,常有一些来自切屑和工件的金属粘接层积在前刀面上,形成硬度很高的楔块。
产生原因:由于切屑与刀具的发生强烈的摩擦,使切屑底面金属的流动速度变慢而形成滞流层,在切削过程中产生的适当温度和压力的作用下,当滞流层金属与前刀面的外摩擦阻力大于切屑内部的分子结合力时,部分滞流层金属就会粘接在刀刃上形成积屑瘤。
作用:保护刀刃和增大前角,可减少切削力和切屑变形,对粗加工有一定好处。
避免方法:改变切削速度。
(8)加工硬化:切削塑性材料时,往往发现工件已加工表面的硬度,比工件材料原来的硬度有显著提高现象。
作用:提高工件的耐磨性,但增大表面层的脆性,降低零件抗冲击的能力。
解决方案:增大刀具前角、使用锋利的刀具、提高切削速度、采用适宜的切削液等,都可减少变形和摩擦,都可以减轻加工硬化。
三、典型机床加工
知识点:机械加工工艺系统:机床、刀具、夹具、工件。
(一)机床
1.金属切削机床是一种用切削的方法将金属毛坯加工成机器零件的机器,它是制造机器的机器,因比又称为“工作母机”或“工具机”,习惯上简称为机床。
2.机床的分类
3.机床的型号编制方法:由汉语拼音字母和阿拉伯数字按一定规律排列组成。
4.车床、铣床的代号
(二)刀具
1.切削刀具结构
三面:前刀面,主后刀面,副后刀面
两刃:主切削刃,副切削刃
一尖:刀尖
2.正交平面参考系:基面Pr,切削平面Ps,正交平面Po
3.刀具基本角度名称、作用
前角γo:增大前角,主切削刃锋利,切削轻快,减小切削力和切削热。但过大刀刃很脆弱,容易崩刃。
后角αo:增大可以减少主后刀面与工件之间的摩擦和主后刀面的磨损。但过大刀刃强度降低。
主偏角Kr:减小可得到薄而宽的切屑,增大散热面积,使刀具寿命提高。同时Fp增加。
副偏角Kr’:减小可减小切削残留面积,降低表面粗糙度。
刃倾角λs:正值的刃倾角能使切屑流向待加工表面。

4.刀具材料应具备的性能:高的硬度和耐磨性、足够的强度和韧性、高耐热性、良好的工艺性。
5.生产中所用的刀具材料以高速钢和硬质合金居多。
1)碳素工具钢:低速、简单的手工工具。T10A T12A
2)合金工具钢:制造形状复杂、要求淬火变形小的刀具。9SiCr CrWMn
3)高速钢:制造形状复杂的成形刀具和精加工刀具。W18Cr4V W6Mo5Cr4V2
4)硬质合金:大多数车刀、端铣刀和部分立铣刀,缺点是抗弯强度低,不能承受较大的冲击载荷。YG YT YW
(三)工件
工件是机械加工过程中被加工对象的总称,是机械加工工艺系统的核心。
(四)夹具
夹具是在机械加工过程中,为保证加工精度而采用的保证工件相对于机床和刀具正确的相对位置,并保证加工过程中不因外力的作用而改变已有正确位置的工艺装备的总称。
1.机床夹具方面的一些基本概念
(1)定位:使工件在机床上占据正确位置的过程,称为定位。
(2)夹紧:将工件在加工时保持在原先确定位置上的过程,称为夹紧。
(3)装夹(安装):使工件占据正确的加工位置,并使其在加工过程中保持不变的过程,称为装夹或安装。
(4)机床夹具:用于装夹或安装工件的工艺装备,称为机床夹具。
2.机床夹具的作用
(1)保证加工质量;
(2)提高劳动生产率,降低成本;
(2)扩大机床的工艺范围;
(3)减轻劳动强度。
3.机床夹具的分类
按夹具的使用范围,夹具可分为五种基本类型:
(1)通用夹具:特点:具有很大的通用性。如三爪卡盘。
(2)专用夹具:针对某一产品的某一特定工序而专门设计。特点:用途专一。
(3)可调夹具:按一组零件而设计一套可调整的夹具。特点:夹具的部分元件可以更换,部分装置可以调整。
(4)组合夹具:用标准化元件组装成的夹具。特点:灵活多变,万能性强,制造周期短,零件可以重复使用。
(5)随行夹具:在自动线上使用的一种夹具。特点:夹具随工件在各工序中的机床上被定位和夹紧。
5.工件在加工时的定位方式
(1)找正法
(2)夹具法
6.车床铣床常用装夹方法
(1)车床工件装夹方法及应用特点:
A.三爪卡盘
B.四爪卡盘
C.双顶尖
D.卡盘-顶尖,卡盘-中心架、跟刀架
E.心轴
F.花盘
(2)铣床工件装夹方法及应用特点:
A.平口钳
B.压板螺栓直接装夹
C.V型铁定位压板螺栓夹紧
D.分度头
(五)典型机床加工工艺分析
1、车削加工工艺方法
2、铣削加工工艺方法
3、磨削加工工艺方法
4、钻削加工工艺方法
《电工电子技术》主要知识点
一、 直流电路
1、 电路的组成
2、 电路的作用
3、 电流及其参考方向
4、 电位
5、 电压及其参考方向
6、 电动势
7、 电阻
8、 欧姆定律
9、 电路中电位的计算
10、 电功率
11、 电流的热效应
12、 电路的工作状态
13、 电阻的串联、并联、混联
14、 独立电源
15、 受控电源的4种模型
16、 基尔霍夫电压/电流定律
17、 支路电流法
18、 节点电压法
19、 叠加定理
20、 戴维南定理
二、 单相正弦交流电路
1、 正弦交流电的基本概念
2、 单一参数的正弦交流电路
3、 R、L、C串联交流电路
4、 阻抗的连接
5、 提高功率因数
6、 串/并联谐振的条件
三、 三相正弦交流电路
1、 三相交流电路的基本概念
2、 相电压、线电压概念
3、 三相负载的两种连接方式
4、 三相总功率公式
四、 动态电路的分析
1、 换路定律
2、 零输入响应、零状态响应、全响应
五、 磁路与变压器
1、 磁感应强度
2、 磁通
3、 磁导率
4、 磁场强度
5、 电流互感器的应用
六、 异步电动机及控制电路
1、 三相异步电动机的基本结构
2、 旋转磁场的转速公式
3、 额定转矩公式
4、 三相异步电机的铭牌
5、 三相异步电机的起动方法
6、 三相异步电动机的制动
7、 了解低压电器及电路符号
七、 常用半导体器件
1、 半导体的三个特点
2、 空穴的产生过程
3、 了解N/P型半导体特点
4、 PN结的导电特性
5、 半导体二极管的结构
6、 半导体三极管的结构和类型
7、 三极管的输出特性曲线
八、 基本放大电路
1、 简化的共发射极放大电路
2、 共发射极放大电路的静态分析
3、 温度变化对静态工作点的影响
4、 射极输出器的电路图
九、 集成运算放大器及应用
1、 集成运算放大器的电路结构
2、 集成运算放大器的电路符号
3、 虚短/虚断两个重要法则
4、 反馈的基本概念
5、 电压反馈和电流反馈的判断方法
6、 串联反馈和并联反馈
十、 正弦波振荡器
1、 自激振荡的条件
十一、直流稳压电源
1、 单相桥式整流电路
十二、逻辑门电路
1、 数字信号与数字电路
2、 数制与编码
3、 逻辑代数
十三、组合逻辑电路
1编码器和译码器
十四、触发器和时序逻辑电路
1、RS触发器
《机床系统概述》主要知识点
数控机床基本概念,按照伺服系统分类、按照控制方式分类。
一、 低压电器定义
低压电器是指工作在交流50Hz额定电压1200V,或直流电压1500V及以下的电路中起通断、保护、控制或调节作用的电器。
二、各种低压电器的结构,掌握各低压电器图形文字符号、功能和工作原理
1、三相异步电动机:图形符号、文字符号、转速表达式
2、刀开关:图形符号、文字符号、选用原则
3、低压断路器:图形符号、文字符号、工作原理、功能
低压断路器又称自动空气开关。低压断路器可以用来接通和分断负载电路:当电路发生严重过载、短路以及欠压、失压等故障时,能自动分断故障电路,起到保护在其后面的电气设备的作用。在正常情况下,也可用于不频繁地接通和分断电路以及控制和保护电动机。低压断路器是一种既有手动开关作用又有自动进行欠压、失压、过载和短路保护作用的电器。
低压断路器按其用途及特点一般可分为塑料外壳式(或称装置式)、框架式(或称万能式)、直流快速式、漏电保护式。
漏电保护自动开关组成:自动开关、零序电流互感器和漏电脱扣器。
4、熔断器:图形符号、文字符号、功能
低压熔断器是低压线路及电动机控制电路中起短路保护作用的电器。
5、主令电器
1)按钮:图形符号、文字符号、颜色规定
2)行程开关:图形符号、文字符号
行程开关在数控机床中作用:(1)控制行程,进行终端限位保护,使用常闭触点;(2)回零减速,使用常闭触点;(3)机械位置检测,使用常开触点。
6、接触器:图形符号、文字符号、工作原理、短路环作用
继电器是一种自动电器,主要用于电动机或线路的保护以及生产过程的自动化控制。它是一种根据外界输入的信号来控制电路通、断的自动切换电器,其触点常接在控制电路中。
7、热继电器:图形符号、文字符号、工作原理、主要参数、功能
热继电器是利用测量元件被加热到一定程度而动作的一种继电器。在电路中用于电动机或其他负载的过载或断相保护。
8、中间继电器:图形符号、文字符号
9、时间继电器:分为通电延时和断电延时两种。图形符号、文字符号、工作原理
10、速度继电器:图形符号、文字符号、工作原理
三、三相异步电动机的启动控制
为保证电动机的连续运转控制,一般采用自锁控制。
自锁:将接触器的常开辅助触点并联在接触器线圈通电起动按钮旁,维持接触器连续通电。
为保证两个接触器控制两个电动机的控制电路,当一个电动机工作、另一个电动机决不能工作的控制;或者在电机的正反转控制线路中,一般采用互锁控制。
电气互锁:将一个接触器的常闭触点串联在另一个接触器的线圈线路,在一条支路通电时保证另一条支路断电。

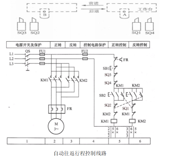
四、三相异步电动机的正反转控制:
电气互锁、机械互锁、双重连锁
在生产实践中经常需要电动机能实现正、反转,例如机床工作台的前进和后退、摇臂钻床摇臂的上升和下降、起重机吊钩的上升和下降等。
控制电动机的正、反转,可通过改变输入三相电源相序的方法来实现。

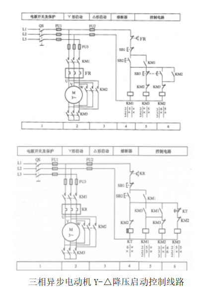
五、三相异步电动机的降压启动控制
三相异步电动机的启动方法有全电压直接启动和降压启动两种。全电压直接启动时,电动机定子绕组所加的电压为额定电压。
所谓降压启动,就是指电动机在启动时,加在定子绕组上的电压小于额定电压,当电动机启动后,再将电源升至额定电压,这样可以降低启动电流,减小电网上的电压降落。
笼型异步电动机的起动方式:
(1)全压直接起动
常用方式:采用刀开关直接起动、采用接触器直接起动
(2)降压起动
常用方式:定子串电阻(或电抗器)降压起动、Y —△ 降压起动、自耦变压器减压起动
定子串电阻(或电抗器)降压起动
所谓定子串电阻降压起动,就是在电动机起动过程中,利用串联电阻来减小定子绕组的电压,以达到限制起动电流的目的,一旦起动完毕,再将电阻短接,电动机进入全电压正常运行状态。

三相异步电动机Y-△降压启动控制线路降压起动


串电阻降压起动方式适用于正常运转时接成星形或三角形的电机,电机输出的转矩是额定转矩的0.25—0.64倍,因此这种适用于对起动转矩要求不高的生产机械,即电动机轻载或空载的场合
Y—△降压启动方式只适用于电机正常运转时接成△ 形的电机。启动转矩是固定的,不能调节。
自耦变压器降压起动方式可根据选择抽头的不同输出多种电压,输出转矩较大且可调,灵活性高,适用于起动转矩较大的电机的降压启动来使用。
六、三相异步电动机的制动控制
交流电动机制动的方法有机械制动和电气制动两种。
交流电动机的机械制动主要是采用电磁抱闸器的方式,电气制动有三种方式,分别是反接制动、能耗制动和电容制动(主要介绍前两种)。要掌握每种制动方式的实现形式及相应的特点。经常采用的电机制动方式是机械制动、反接制动和能耗制动。
电磁抱闸制动器(机械制动)分为通电制动式和断电制动式两种。


上述两种方式,断电制动控制线路更简单,但存在用电不经济和和断电后,由于电磁抱闸制动器的制动作用,手工调整工件困难。通电制动控制可以解决上述问题,在机床上运用比较广泛。
所谓电气制动,就是在电动机切断电源开始停转的过程中,产生一个与电动机实际旋转方向相反的电磁力矩(制动力矩),迫使电动机迅速制动停转的方法。
反接制动:要停车时,将电动机上的三相电源相序切换,使之产生一个与转子惯性转动方向相反的转矩,电机的转速就会迅速下降,当转速接近零时,再将电源切除。

能耗制动:在切断电动机的三相交流电源后,立即在定子绕组中通入一个直流电源,以产生一个恒定的磁场,而因惯性旋转的转子绕组则切割磁力线产生感应电流,继而产生与惯性转动方向相反的电磁转矩,对转子起到制动作用。当电动机转速降至零时,再切除直流电源。

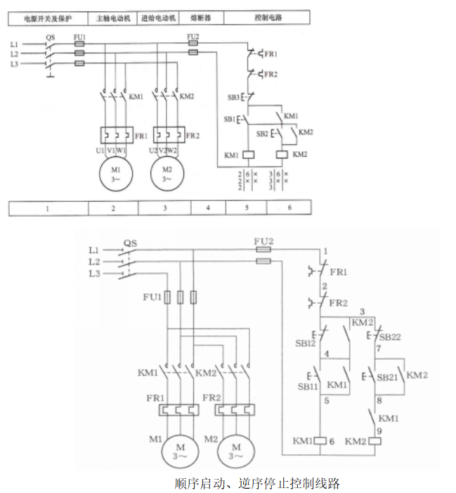
七、三相异步电动机的顺序控制

八、三相异步电动机的多地、多条件控制、行程控制
多地、多条件控制:启动按钮、停止按钮接线特点
交流电动机多地(多条件)控制线路是指在大型设备上,为了操作方便,常要求能在多个地点对设备进行控制;而在某些设备上,为了保证安全,需要满足多个条件设备才能开始工作,这就称为多条件。以上目的的达到多采用在控制线路中并联和串联接触器来实现。

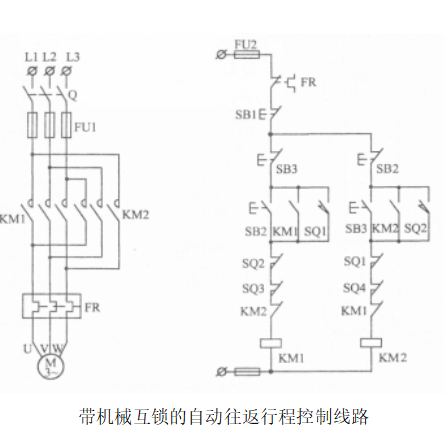
行程控制实际上是正反转控制的特殊应用。某些机械设备中的运动部件(机床工作台、高炉的加料设备、起重机的运动臂等)往往有行程限制,需要自动往返运行,而自动往返的可逆运行通常是利用行程开关来检测往返运动的相对位置,从而控制电动机的正反转。能实现行程控制和自动往返的主要电器是行程开关 。
行程开关在数控机床中作用:(1)控制行程,进行终端限位保护,使用常闭触点;(2)回零减速,使用常闭触点;(3)机械位置检测,使用常开触点。


九、机床电气原理图的画法规则及识读
常用机械设备的电气控制线路图一般有电气原理图、电气安装图和电气接线图,本课程的重点是电气原理图的识读,下面会做重点介绍,电气安装图和电气接线图将做简单介绍。
1.电气原理图
(1)机床电气原理图的基本结构
电气原理图由功能文字说明框、电气控制图和图区编号三部分组成。
功能文字说明框部分在电路中的作用说明对应区域下方电气元件或控制电路的功能,使读图者清楚的了解某个电气元件或某部分的控制电路的功能,利于理解整个电路的工作原理。
电气控制图是指位于机床电气原理图中间位置的控制线路,主要由主电路和控制电路两部分组成,是机床电气原理图的核心部分。
主电路位于电气控制图的左侧,由交流电源和起拖动作用的电动机间组成,此外还可能包括电源开关、熔断器、热继电器的热元件、接触器的主触点等,主电路一般通过的电流较大。
控制电路一般位于电气控制图的右侧,主要作用是通过主电路对电动机实施一系列的预订的控制。包括电动机控制电路、照明电路、信号路及保护电路等,主要由继电器盒接触器线圈、触头、照明灯、控制变压器等组成。
此外,电气控制图中接触器和继电器线圈与触头的从属关系应用附图表示。即在电气控制图中接触器和继电器相应线圈下方,给出触头的图形符号,并在其下方标注相应触头的索引代号,对未使用的触头用“X”表示,有时也可用省去触头图形符号的表示方法来表示。接触器和继电器各栏的含义如下图所示。
图区编号是指控制图下方标注的“1”,“2”,“3”等数字符号,其作用是将电气原理图按照部分进行分区,以便于在识图时能够快速、准确的查找相关的电气元件。


2.电气安装图
电气安装图主要用来表示电气设备在机械设备和电气控制柜中的实际安装位置,是机械电气控制设备制造、安装和维修必不可少的技术文件。在安装图中,机械设备轮廓是用双点划线画出的,所有可见的和需要表达清楚的电器元件及设备是用粗实现绘出其简单的外形轮廓的,其中电器元件不需要标注出尺寸。
机床电气安装图在布置元件时应注意以下几点:
① 上轻下重,发热元件放在上方。
② 强弱电分开,弱电部分加屏蔽保护装置。
③ 经常调整的元件安装在中间容易操作的地方。
④ 元件安装不能过密,应留有一定的间隙,便于操作。
3.电气接线图
电气接线图主要用来表示电气设备各单元间的接线关系。主要用于安装接线、线路检查、线路维修和故障处理。在识读时应遵循如下规则
① 电器元件的图形符号、文字符号等均与电气原理图一致。
② 外部单元同一电路的各部件画在一起,其布置基本符合电器实际情况。
③ 不在同一控制箱和同一配电屏上的各电器元件的连线是经接线端子板实现的,电气互联关系以线束表示,连接导线应标明导线参数(数量、截面积、颜色等),一般不标注实际走线路径。
④ 对于控制装置外部连线应在图上或用接线来表示清楚,并标明电源引入点。

(资讯来源:天津中德应用技术大学官网)
更多天津市专升本资讯,请关注恭学网校!
- 还没有人评论,欢迎说说您的想法!